Мазда 6 как сделать аукс
AUX своими руками, в штатную магнитолу.
Всем доброго времени суток!
Итак первая запись в БЖ новой машины.
Долго ничего не писал, да и не о чем было, собственно всё меня в машине устраивало до недавнего времени и доработок никаких не делал. Но.больно уж мне надоело писать диски чтобы послушать свою музыку (ну если по чесноку, то мне надоело один и тот же диск слушать 😀 ), было решено что то придумать, несколько вариантов было.
1) Замена ГУ на другое нештатное в котором был бы USB.
2) Yatour, audiolink, ну думаю народ в теме, объяснять что это такое не надо.
От первого отказался сразу, ну не хочу портить эргономичность консоли. Да и затратно, 6 тонн за мафон 2 диновый, потому что 1 дин это лютый колхоз был бы.
Второе по моему был бы оптимальный вариант, но опять же, неприличная цена, по мне так себестоимость этой коробки с проводом не больше 20$.
Собственно случайно обнаружил ещё вариант с AUX, ползая по просторам драйва, видел посты, народ в Москве покупал, заказывал оттуда, цена вопроса 6 соток деревянных за штейкер с проводом. Самое интересное что аналогов в Спб я не нашёл, решил заказать, менеджер опять же отписал мне неприличную сумму за аукс вместе с почтой, 1080, я аж присел, оказывается они емс почтой только отправляют, ну ладно. сидел ждал всю неделю, ничего не пришло. Хотя официально 1-2 дня доставка до СПб.
Т.к. товар данный по факту является самопалом, я решил тупо такой же сделать (чем я то, хуже электрик чем они 😀 ).
Нашёл пост на форуме по которому вполне можно сделать. Вот оригинал www.mazdaclub.ua/forum/index.php?showtopic=51044
Собственно свой пост пишу дабы осветить нюансы различные. Грубо говоря »разжевать и в рот положить» для тех кто на ручнике как я =)
Нам понадобится:(что я использовал)
1) Шлейф IDE 40 жил ATA-33 (цена вопроса 19р. в любом магазине для компьютеров)
2) aux griffin (остался с давних времён, можно любой другой)
1) Собственно начинаем изготавливать аукс, берем провод грифинновский отрезаем с одной стороны джек, видим три провода, левый правый и масса.
Вот я по этой схеме определял.
Далее движемся по схеме которая находится в ссылке выше. Я долго не мог понять как из 3 провода воткнуть в 5 контактов, сделал скрутку с другими двумя проводами которые были в наличии, получается вместо 1ой массы две, (т.к. один провод массы с аукса мы скручиваем с 2 массами с рца) уже проще, еще кусочек провода отрезал оголил и примотал получилось на 3 контакта. Опять же отрезаю кусочек провода и делаю перемычку между К и М, это активирует кнопку медиа.
Собственно зачем нужен был шлейф, от него мы берем штейкер, я отсчитал сколько надо и аккуратно отломал 2 отдельно, где левый и правый канал и отдельно 8, и на перемычку 4.
Но вот главное ради чего и писал, по факту контакты D, F, G, не нужны, я просто массу с аукса, белый провод, примотал к кузову, а точнее к железному корпусу магнитолы, всё отлично работает. Грубо говоря скрутку с ещё проводами зря делал, можно было напрямую кинуть левый и правый канал и массу с кузова взять.
Далее просто, разбираем консоль, снимаем магнитолу, всё это дело подключаем, я вывел аукс около прикуривателя, вполне спокойно, ничего не пережимает.
Цена вопроса такого аукса 19р. и то за шлейф, всё гениальное просто, экономия в 1061 рубль =)
Собственно всё, всем спасибо за внимание! Всем мнениям буду рад, ставте »нравится» если считает нужным.
Режим RSES на Мазду 6 дорестаил (замена AUX)
После того как жена подарила видеорегистатор, появились проблемы со звуком, исходящим из трансмиттера, так как они оба подключались к прикуривателю через тройник. Регистратор давал наводки на трансмиттер, слушать стало невозможно. Начал искать альтернативные источники прослушивания музыки. Ченджера у меня нет, а 20 песен быстро приедаются.
Вариант 1 yatour
Вариант2 AUX Не подходит, так как на дорестайле нет кнопки media
Вариант3 RSES Был реализован.
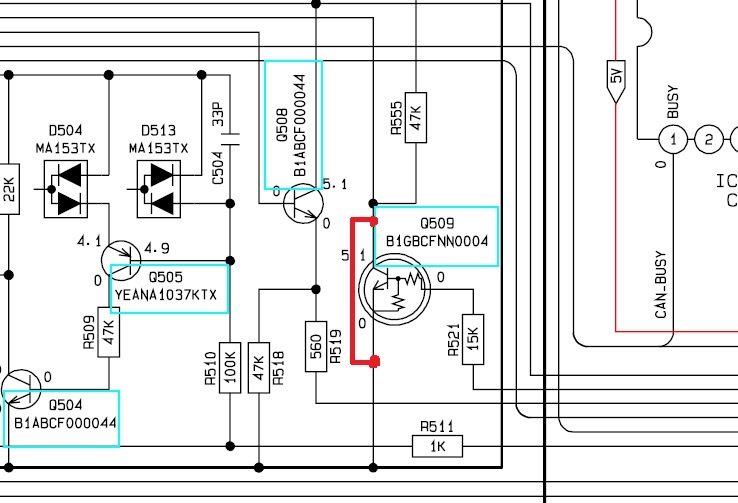
Подробнее. Снимаем магнитолу, разбираем, добираемся до платы.
Нас интересуют места обведенные красным.
Сначала необходимо припаять перемычку на транзисторе Q509 между коллектором и эмиттером. После того, как мы припаяли перемычку, появляется режим RSES при нажатии второй раз на кнопку CD.
Теперь делаем сам вход на микросхеме селектора входов. У нее есть свободный вход, как раз тот который мы и активировали RSES. Через 2 электролитических конденсатора (я использовал на 22 мкФ) подаем сигнал.
На 4 ногу припаиваем левый, на 11 ногу правый, минус берем от толстой дорожки, идущей рядом.
С обратной стороны проводов припаиваем мини джек
Все собираем в обратном порядке, подключаем, выводим в нужное место провод, подключаем планет, телефон, плеер, жмем 2 раза кнопку CD, загорается режим RSES, наслаждаемся любимыми песнями.
Спасибо пользователю VladimirZP за реализацию и подробную инструкцию
AUX для экономных *почти не колхоз*
После покупки Mazda 6 GH Direct с удивлением обнаружил, что у неё отсутствует USB и AUX, ну USB это отдельная история, а AUX не так сложно сделать как оказалось, т.к. все провода подведены, надо только вместо заглушки вставить разъем, который стоит 1500р новый и 750р б\у, я решил что это так-то слишком дорого для кусочка пластмассы с разъемом и решил сделать свой колхозный эконом AUX. Заранее покупаем аудио разъем в магазине электроники за 32р и нужны какие-нибудь тонкие провода.
Подковыривать заглушку AUX не советую, т.к. она держится на крепких клипсах, поэтому мы начинаем со съема подстаканника чтобы выдавить заглушку изнутри.
Подстаканник снят, заглушку AUX нашли и выдавили, мне она чуть не прилетела в глаз(.
Итак мы имеем снятую заглушку под AUX в которой надо выломать одну перегородку тонкогубцами.
Делаем в нём дырку и параллельно с этим припаиваем провода к аудио-разъему чтобы получилось что-то такое.
Втыкаем заглушку с установленным гнездом на место.
Заливаем с двух сторон и обматываем изолентой, собираем обратно, и слушаем музыку с телефона ♩ ♪ ♫ ♬
AUX своими руками. Подробная инструкция.
Добрый день.
Ну какой же автомобиль без музыки, тем более, если она на телефоне.
После покупки авто, первым делом, после профилактического ТО конечно, был заколхожен AUX из подручных средств дома, но что-то всё таки пришлось купить. Подробных инструкций полно в интернете. В моей, вы не найдёте каких либо чудо способов) Просто, делюсь с сообществом, как ЭТО, сделал, Я 🙂
Запозднился с записью в БЖ. AUX был сделан ещё месяц назад. Но вчера захотелось переделать. Извиняюсь за качество фото (на SGS3 с CM11 плохое качество фото).
И так. Нам понадобится:
1) Фишка, двухрядная. 2х8 с контактами 2.54 мм. Название: BLD-16 (DS-1071 — 2×8). Покупал в Чип и Дип. Цена: 25 рублей.
2) Аудио штекер 3.5 мм (Audio Jack 3.5 мм). Название: NP-144. Покупал в Чип и Дип. Цена: 38 рублей.
3) Профессиональный цифровой кабель 2м. Название: QUIK LOK CM818. Продаются в бухтах(катушках). Покупал в Музторг. Цена за метр: 130 рублей.
4) Достать из машины магнитолу, лучше всё делать в спокойном, тихом месте. Описывать, как снять магнитолу не буду.
0) Определяемся с распиновкой. Рестайл или дорестайл. Т.к. у меня рестайл, беру данную схему:
1) Берём провод. С одной стороны срезаем ЧЕРНУЮ резиновую оболочку, где-то 2 см. Т.к. сигнал левый и правый у нас рядом стоят в фишке, а земля идёт на корпус чуть в сторону, то нужно освободить жилки и землю от оболочки.
2) Теперь, берём две жилки (красную и прозрачную) и с них срезаем резиновую изоляцию. Осторожно, главное не переусердствовать, чтобы их не повредить и не отрезать. Можно зубами)
Срезаем, где-то, 1 см. Т.к. металлические сёдла (вставки), которые идут в комплекте с фишкой, длиной 1 см. 1.5 мм. Нет необходимости подгонять жилку под полный размер седла. А ещё хуже, если жила будет торчать из седла и фишки.
3) Отламываем 2 седла(вставки) от металлической пластины (на неё крепятся сёдла), которая идёт в комплекте с фишкой.
4) Засовываем одну неизолированную жилу в седло и обжимаем, как показано на рисунке ниже.
5) То же самое (пункт 4) проводим и со второй жилкой.
6) Берём фишку и вставляем в неё наши жилки, уже посаженные в сёдла(вставки), сверяя с рисунков из пункта 0. У меня: красный провод — правый канал, прозрачный — левый.
Получаем, примерно, так:
7) Нам нужно найти небольшой длины провод для перемычки, которая будет замыкать нам наш AUX на магнитоле. Я взял первый попавшийся провод. Он очень ужасный, медные жилки. Можно отрезать и от нашего провода кусочек одной жилки (3-4 см), но тогда нужно будет всё подровнять и длина нашего провода уменьшиться. Выбирайте сами.
Так вот, нашли провод. Берём его, с двух сторон зачищаем от резиновой оболочки (изоляции) и вставляем в наши сёдла. Далее, вставляем сёдла, в которых сидят наши жилы, в фишку. Смотрим на пункт 0.
Т.к. провод слишком толстый и я срезал больше больше изоляции чем нужно, то пришлось половину жилок отрезать и изолентой заизолировать оголённые места. В общем, ужас)
Всё! Фишка готова! Пол пути пройдено. Поздравляю!
8) Переходим к другому концу нашего провода.
Срезаем необходимое кол-во резиновой оболочки. Показал, как нужно расчитать:
Цифра 1: там начинаются места для пайки контактов.
Цифра 2: конец штекера. Т.к. наш провод толстый, примерно одинаковый диаметр со штекером, то нам нужно отрезать так, чтобы штекер хорошо закручивался и плотно сидел.
9) Оголяем наши жилки, где-то, на 1-2 мм. Больше не нужно, т.к. оголённые части могут соприкасаться друг с другом. Многое зависит от джека и расположение контактов для пайки.
10) Включаем паяльник и даём ему нагреться.
11) Перед пайкой, одеваем на наш провод корпус Аудио штекера, чтобы после пайки, его закрутить. Он свободно ходит по всему проводу, так что отправляем его в центр, чтобы не мешался. Потом его никак будет не одеть. Все стороны будут заняты. Я вот забыл про него) Пришлось перепаивать)
Одеваем на наши жилки хвостик Аудио штекера (тот, что гнётся). Т.к. он одинаково диаметра, что и наш провод, то он не налезет на него, как бы вы не пытались. Для этого: срезаем немного с ЧЁРНОЙ резиновой обмотки по кругу. Нужно сделать так, чтобы его можно было накрутить на наш провод.
А также, одеваем на наши проводки (жилы) резиновую прозрачную втулку, которая идёт в комплекте с аудио штекером. Она нужно для того, чтобы после пайки контактов, одеть на них сверху, дабы предотвратить соприкосновение крышки с ними.
12) Припаиваем наши проводки (жилы), как показано на рисунку ниже:
Процесс пайки описывать не буду) Тут всё понятно) Вроде бы)))
Кто боится паяльника, то можно обмотать отверстия на Штекере нашими неизолированными жилами. Тогда, придётся снять побольше изоляции с них.
13) После пайки контактов, сверху одеваем резиновую прозрачную втулку и закручиваем корпус Аудио штекера. Смотрим пункт 11.
14) Возвращаемся к нашей фишки.
Берём фишку и вставляем её в разъём. Садиться плотно. Смотрим, чтобы не вылезли сёдла. Если вылезли, то берём иголку и зубочистку и заталкиваем назад.
15) Фишка на магнитоле. На фишке мы имеем: перемычку (2 контакта) и 2 сигнала (левый и правый), то есть, всего разъёма на фишке заняли. Остаётся земля.
Мы её не будет пускать на разъём, а пустим на корпус магнитолы.
Откручиваем болтик рядом с разъёмом на магнитоле. Не теряем его. Берём 3 провод (жилку), металлический, без изоляции, не использованный, со стороны фишки. Скручиваем конец в узелок и между узлом пропускаем болт. Далее закручиваем болтик.
Получается так:
Относим магнитолу в авто. Устанавливаем всё на место. Не забываем вставить все разъёмы в магнитолу.
Пускаем наш провод, как вам угодно и пользуемся на здоровье)
Активируется кнопкой MEDIA на рестайлинговых моделях.
Есть некоторая проблема, по крайней мере, у меня: при подключении телефона к зарядке через прикуриватель, идут некоторые наводки, шумы, которые слышно, только когда музыка не играет. Мне кажется проблемы в перемычке. Т.к. использовал первый попавшийся под руку провод. Уж очень он ужасный.
Мой первый нормальный пост. А то, одни беды и проблемы)
Пытался подробно и грамотно всё описать.
Спасибо за внимание!
#4. AUX в Мазда 6 GG.
Собственно как без своей музыки в своей машине для молодого парня? Радио – некачественное звучание. Диски – маленький запас песен и постоянная покупка и хранение. Конечно аукс это не блютус подключение, но хоть что то.
Покупаем все необходимое.
Должен сказать, что уже покупал на Авито провод аукс, готовый, но без разъема, а со штекером. Он меня сразу не устроил, но хотелось быстро намутить себе музыки. В общем и целом, этот провод был с плохими контактами и музыка играла очень криво, слова пропадали, низов не было и вообще было тихо. Только если провода прижимал у фишки, то все становилось нормально, но потом опять пропадало. Так что, если у вас такая же проблема, то всё дело в плохом контакте, где либо.
Короче, взял старый провод, откусил фишку. Так как не хотелось возиться с пинами и новой фишкой. Купил провод 2 метра (левый, правый кабель и обмотка) и разъем аукс с фиксирующей гайкой.
Все вышло около 200₽. Покупал в товарах Прикамья, в отделе электронных компонентов. Там можно все найти, советую👍.
Начал всё собирать, паять. Я не особо мастер по пайке, но получилось более менее терпимо.
Так как в кабеле всего два провода(лево, право) и обмотка. Обмотка была скручена в одну жилу и была припаяна, к большему контакту разъема, на другие соответственно лево и право.
Все заизолировал, как термоусадкой, так и любимой изолентой. Так как не было больших размеров термоусадки.
Раньше пробовал, подключать не снимая центральную панель, просовывая руки в щели и нащупывая разъём, в общем говоря, мучаясь, я справлялся. Но это того не стоит. Проще снять и все без проблем подключить, это не сложно. Сейчас уже все делаю закрытыми глазами.
Проверив провод на работоспособность, нужно было решить куда крепить разъём.
Видел, что некоторые продевают провод внутрь подлокотника, через решетку на дне. Первый раз, когда у меня был провод, я так и делал. Вскоре провод надломился из за постоянного давления и открывания и закрывания подлокотника. И я решил изменить место расположения провода.
Первый вариант был, это расположение между кнопками подогрева сидений, но так бы разъём было видно.
Позже я решил сделать рядом с прикуривателем и вот что вышло.






















































