Как открыть багажник на дастере
Кнопка замка багажника
В течение этой трудовой недели понятие багажного проёма для меня выглядит так:
Всё дело в заедающей кнопке багажника — она просто перестала нажиматься, словно багажникъ заперт на ключ.
Поначалу грешил на мороз (как раз на улице был минус), но нет — сначала кружка тёплой воды, потом WD40, а затем и оттепель поставили на этой версии крест. Ключ свободно входит в скважину, поворачивается, причём слышно, что механизм срабатывает. С центрального замка тоже есть реакция — при открывании/закрывании кнопка как и прежде чуть подёргивается, электропривод действует.
Как же здорово, что можно открыть багажник изнутри, сложив часть заднего сиденья и, аки хорёк, пронырнув в нутро. А там уже ждёт своего звёздного часа заветная белая пимпочка. При открытой двери багажника кнопка тоже не утапливалась.
Сегодня снял внутреннюю накладь багажного отделения: все тяги замка на месте, в зацеплениях. Подёргал за тяги, все они свободно ходят, электропривод замка с центрального замка поворачивает личинку. Потом снова нажал на кнопку с наружной стороны — факир был трезв, и фокус удался! Кнопка послушно выполнила своё предназначение, легко нажалась. Закрыл дверь багажника, потом открыл. Всё заработало. Пробовал несколько раз для успокоения души.
Загнал машину в гараж, закрыл. Вспомнил, что перчатки не положил обратно. Открываю с ключа… Правильно, кнопка багажника снова не нажимается :/
Бывало такое расстройство у кого-нибудь на Дастере? И как с этим справились?
Как открыть багажник на дастере
Содержание
Введение
Действия в чрезвычайных ситуациях
Ежедневные проверки и определение неисправностей
Эксплуатация автомобиля в зимний период
Поездка на СТО
Инструкция по эксплуатации
Предостережения и правила техники безопасности при выполнении работ на автомобиле
Основные инструменты, измерительные приборы и методы работы с ними
Двигатель
Система питания
Система смазки
Система охлаждения
Система впуска и выпуска
Трансмиссия
Приводные валы
Ходовая часть
Тормозная система
Рулевое управление
Кузов
Система отопления, вентиляции и кондиционирования
Пассивная безопасность
Электрооборудование
Электросхемы
Толковый словарь
Renault Duster (также известный под именем Dacia Duster) впервые был представлен на Женевском автосалоне в 2009 году. Автомобиль сконструирован с использованием элементов платформы Logan.
Внешне, благодаря удачно подобранным аксессуарам, машина выглядит как небольшой внедорожник, в котором, ко всему, усилена нижняя часть кузова, увеличен клиренс (205-210 мм), что в комплексе с большим углом преодоления препятствий (30° угол въезда и 35° угол съезда) дает возможность передвижения по бездорожью.
Duster это простой в эксплуатации автомобиль. Благодаря небольшому весу: 1180 кг (4X2) или 1280 кг (4X4), а также компактным размерам, он отличается высокой маневренностью. В полноприводной версии, благодаря интуитивной панели управления, водитель может легко настроить машину под условия движения: постоянный полный привод, автоматически подключаемый при пробуксовке передних колес либо режим с приводом на одну ось.
Автомобиль вышел на рынок с бензиновым двигателем 1.6 16v мощностью 102 л. с. и двумя версиями дизельного двигателя: dCi (85 л. с.) для 4×2 и dCi (105 л. с.) для 4×4, которые прекрасно себя зарекомендовали, они агрегатируются с 5либо с 6-ступенчатыми механическими коробками передач.
Интерьер отличается оригинальностью индивидуальных решений. Чего только стоит металлическая центральная консоль, окрашенная в цвет кузова автомобиля. К эргономике водительского места вопросов нет, также как и к обзорности в автомобиле практически отсутствуют мертвые зоны.
Багажник порадует большим объемом (475 л), хотя в версии 4×4 он меньше на 35 л. Не оставят равнодушными и несколько вариантов трансформации салона, что немаловажно при перевозке грузов различной геометрии. При полностью сложенном заднем сиденье открывается доступ к 1,6 м3 объема, что выводит данную модель чуть ли не в лидеры среди одноклассников по полному объему перевозимого багажа.
Модель оборудована ABS Bosch 8.1 с электронным распределением тормозных усилий EBV и электронной системой экстренного торможения ЕВА. Модификация с двигателем dCi мощностью 105 л. с. опционально оснащается системой стабилизации ESP с контролем недостаточной поворачиваемости и антипробуксовочной функцией ASR. Для поставок на некоторые рынки модель комплектуется двумя фронтальными подушками безопасности и трехточечными ремнями безопасности с преднатяжителями для передних сидений. В некоторых комплектациях автомобиль оснащается боковыми подушками безопасности.
В базовой комплектации Duster оснащен подушкой безопасности для водителя, регулируемыми подголовниками спереди и сзади, иммобилайзером, защитой двигателя, гидроусилителем рулевого управления. За доплату устанавливаются дополнительно магнитола с управлением на рулевом колесе, рейлинги на крыше, ABS, передние электростеклоподъемники, дополнительные регулировки сидений, противотуманные фары и кондиционер. А в топ-комплектациях уже присутствуют бортовой компьютер, подушка безопасности пассажира, наружные зеркала с электроприводом и обогревом, складывающееся в пропорции 1/3 и 2/3 заднее сиденье и легкосплавные диски.
В конце 2011 начале 2012 года был представлен Duster российской сборки. По сути это все тот же Дастер, но, если внешне российская машина отличается лишь радиаторной решеткой и дополнительными хромированными элементами, то внутри обновления коснулись всей приборной панели и отдельных контроллеров, так, например, кнопки управления сервоприводами стекол перебрались на двери. Были изменены регуляторы климатической установки, а также внешний облик центральной панели. Одним словом, внутреннее убранство российского Дастера стало намного приятнее европейского собрата.
В данном руководстве приводятся указания по эксплуатации и ремонту всех модификаций Renault/Dacia Duster, выпускаемых с 2009 года, учитывая модели, производимые в РФ.
Тема: Не открывается багажник.
Опции темы
Поиск по теме
Отображение
Не открывается багажник.
Кнопка открытия багажника не нажимается, ключ туда сюда немного ходит но не открывает. Изнутри открывается, а с наружи никак. В чём проблема подскажите пожалуйста?
Брызгали и спитом и размораживателем замков и силиконовой смазкой, не помогает. Может быть там где-то блокировка какая то есть? Удара не было, это гарантийный случай?
Конечно гарантия. У меня на Логане было после кузовного ремонта, шток неправильно выставили, подъехал и попросил, чтоб меня научили, делов на 3 минуты. На новой машине вопрос, надо ехать к ОД. Замок денег стоит, если личина еще и ждать с завода, по ВИНу изготавливают, чтобы ключи одинаковые были (остались) на машину.
Интересно, а изнутри то как? Вроде у Дастера нет ручки на внутренней стороне 5-й двери? И у Вас машина с ЦЗ или без?
А вариант замерзшего замка можно проверить, заехав на часок на подземную стоянку торгового центра.
Ни куда заезжать не надо, размораживатель лечит все на раз.
Съездили к дилеру, 10 минут она постояла у мастера, 10 минут он по отогревал, по продувал замок и теперь всё прекрасно открывается, хозяева авто всё это время сидели на диванчике и наблюдали по экрану весь процесс ремонта, денег ни копейки не взяли.
Супер! 🙂
-Машина не тянет!
-А вы фары протерли?
-ДАааааа! Не помогло!
-Тогда у вас что-то очень серьезное, надо к ОД!
Через неделю
-Ура починили!, Сказали с ручника снимать надо!
Гы, пусть это будет самая большая неприятность. Удачи!
Электрозамок багажника. Часть 1, подготовка.
Дастер суров и брутален, и его тугая кнопка багажника — лучшее тому подтверждение.))) Наманикюренным дамским пальчикам лучше даже и не пытаться её продавить. Но и с нормальными руками это начинает надоедать. Хочется комфортного открывания багажника. В общем, примерно с таким мыслями я приступил к осуществлению установки электрозамка.
Для начала немного теории, точнее перечня того, что нам может пригодиться в осуществлении задуманного.
Во-первых, это сам замок со встроенным электромоторчиком — 21900560601010. Он устанавливается на Ладу Гранту, Ладу Весту, и судя по внешнему виду перенесён на них французами с каких-то своих моделей.
Посадочные места у них абсолютно идентичны, ставится новый замок на место родного один в один. Плюс у него есть симпатичный рычажок для открывания багажника изнутри, который ещё и светится в темноте.
Основное отличие замков — в верхней части. Здесь мы видим бочонок, в котором и находится моторчик электропривода. И важное отличие — рычаг отпирания у старого замка ходит вверх-вниз, а у нового — вправо-влево.
А это указывает нам на следующую деталь, которая нам понадобится. Это тяга замка багажника. Снимаем обшивку и смотрим на установленную на автомобиле.
Она практически прямая, и при нажатии кнопки видно, как она ходит вверх-вниз. Соответственно, для нового замка она уже не подходит. Нам нужна другая деталь — 905120002R. Она устанавливалась на Дастеры самых ранних выпусков, примерно до ноября 2012 года и выглядит как коромысло с двумя тягами. Как выяснилось в комментариях, может встречаться и в более поздних выпусках, от чего зависит — точно неизвестно)
Отверстие с закладной гайкой под эту тягу сохранилось на крышке багажника и на более поздних выпусках. Но если надумаете ставить, лучше проверить его наличие.
Деталь довольно редкая, единственное полноценное фото её, которое нашёл, только такое. А свою сфотографировать забыл(((
Кстати, на разборках эта деталь, в основном, продаётся без тяг, только одно коромысло или, в лучшем случае, с одной тягой.
Так что, если не удастся найти полноценный оригинал, останется только два варианта — или брать одно коромысло и делать тяги самому или забить на эту деталь, исключив личинку замка из процесса открывания багажника.
Ещё одно отличие нового замка — в его разъёме. У старого замка разъём двухконтактный, у нового — четырёхконтактный.
Соответственно, понадобится новая колодка для разъёма. Можно или купить разобранную и самому обжать клеммы — понадобится разъём Yazaki 7283-8853-30.
Или купить готовый в сборе с отрезками проводов — Разъем замка багажника для Лада Веста, Лада Гранта. Также ищется по каталожному номер AX951.
Ну или на самый крайний случай можно использовать вазовский разъём регулятора холостого хода. После небольшого допилинга он подходит к разъёму замка. Но это уже на самый крайний случай.
С замком вроде разобрались. Теперь нам нужно найти подходящую кнопку для открывания. Здесь тоже есть свои подводные камни. Дело в том, что крышка багажника Дастера в месте, наиболее удобном для установки кнопки, имеет выштамповку под личинку замка, и свободного пространства между накладкой и этой выштамповкой крайне мало, что-то около 1-1,5 см всего лишь.
А это в свою очередь накладывает ограничение на высоту кнопки — она должна минимально выступать внутрь накладки. Поэтому самый явный вариант — кнопка от той же Гранты/Весты нам категорически не подходит, из-за её высоты.
Ещё один вариант — кнопка от Шевроле Круз. Она как раз довольно плоская, на Али этих кнопок море. Но что-то вживую мне она не понравилась, да и встречал отзывы от её низкой надёжности. Поэтому стал присматривать ещё варианты.
Нашёл, как показалось, идеальный вариант — кнопка от Kia Sportage 3. По предварительным промерам должна была подойти, даже вырез под неё сделал в накладке. Начинаю ставить — и фиг вам. Кнопка всё равно высокая и упирается в выштамповку. Расстройству не было предела.
Пришлось штудировать инет в поисках подходящей кнопки дальше. И тут на глаза попалась кнопка от Kia Soul/ 81720B2000. По высоте она такая же как от Спортажа, но при этом идёт вставленной в пластиковую рамку, за счёт которой она сильнее выступает наружу но при этом и внутри расстояние гораздо меньше. Заказываю, примеряю — бинго!
И последнее что нам понадобится — подумать о блокировке замка. Если подключить кнопку напрямую, то получается, что крышку багажника можно будет открыть кнопкой в любое время, даже когда машина в режиме охраны. По совету dg972 обратил своё внимание на поляризованное реле, и на его основе собрал вот такую вот релюшку блокировки замка крышки багажника.
В качестве донора корпуса выступило газовское реле стеклоочистителей
Кроме всего перечисленного, нам понадобятся ещё провода, необходимый инструмент, куча терпения и прямые руки)))
С подготовкой всё, в следующей части будем всё это добро устанавливать в машину.
Дверь багажника с отдельной кнопки брелка.
На этой фотке есть пара лишних кнопок.
На этой машине нет никаких электронных примочек кроме АВС, поэтому есть свободные места для дополнительных кнопок… Стоит кнопка открывания двери багажника и еще одна для управления автосветом, но об этом позже.
Переделал алгоритм работы замка двери багажника. Попросту отрезал провод (на открывание) от ЦЗ и через реле подключил его к отдельному выходу сигналки. Теперь с брелка закрываются все двери одновременно, а открываются либо боковые, либо дверь багажника. Для удобства открывания багажника из салона, была куплена (за 350 р) вторая кнопка ЦЗ.
Зачем это надо? Багажник теперь всегда у меня закрыт на замок. И открывается только тогда, когда нужно мне.
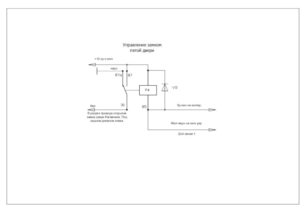
Под диваном заднего сидения слева есть жгут. Снимаю изоляцию. В жгуте есть провод идущий на замок задней двери. Про цвет не спрашивайте: не могу идентифицировать. Смотрите фото. Раскусываю его. Тот конец, который идет в жгут вперед машины, изолирую. К другому концу подключаю провод и тяну к блоку сигнализации. У меня провод — белый.
Около блока сигнализации собирается схемка реле, управление которой идет с доп. канала.
ps Если вместо скруток поставить фишки, то очень легко можно восстановить исходный режим работы.
Для переделки понадобилось:
Реле пятиконтактное.
Колодка реле.
Клеммы — 5 шт.
Диод.
Кнопка блокировки дверей 252 108 592R
Провод ПВ-3 1х0,35 или 0,5 кв см. В общем, то же самое, что потребовалось для переделки схемы ЭСП. Плюс Мануал по сигналке.
Подключаю так — дверь открывается с отдельной кнопки.
Переключаю и становиться все как было — штатно, от центрального замка.






























