гранта не работает подсветка номера
Диоды в подсветку номера — Устраняем выбивание предохранителей
Доброго всем времени суток!
Решил поставить диоды в подсветку номера, так как желтый, тусклый свет никак не сочетался с диодами впереди и ксеноном)
Решено-сделано.
Купил диоды без цоколя, отечественной фирмы «МАЯК», 9 маленьких диодов, 12V.
При установке, как Вы понимаете выбило предохранители-вырубаются все габариты на одной стороне, проблема калин.
Логичный вопрос:»Почему выбивает?» промелькнул в голове и не дал мне спокойно существовать весь вечер)
Оказалось все элементарно просто)
При разборе плафона были замечены проушины под + и —
А проблема так же легко устраняется:
1.Берем диод, загибаем усики так, чтобы не было перекреста + и — и контакты слегка выходили за пределы корпуса диода
Если не горит, но при этом предохранители не выбило:
Вот что получилось
Свет равномерный, в меру яркий, белый, очень приятный)
Продолжаю заменять лампочки =) (Габариты/Стоп-сигналы, подсветка номера)
Доброго времени суток всем гостям и подписчикам!
Ещё в начале БЖ моей машины, были следующие темы по замене лампочек (кому интересно — можете ознакомится):
— ДХО и головного света
— в поворотниках передних фар
— в салоне
Ну была ещё установка ПТФ, свет в багажнике диодной лентой, также с заменой лампочки на аналогичную салонной.
Сегодня же, данной учести дождались габариты/стоп сигналы! По прежнему не меняю традицию, использую линзованные диоды фирмы MTF P21/5W.
Был один, погода не очень… дождь начинался… стопари не сфоткал, сегодня как стемнеет сделаю сравнительные фотки — родной и диодной лампы. А пока что прикладываю фото со включёнными габаритами (извиняюсь, за грязную машину).
На этом я не успокоился… купил ещё парочку дешёвых диодов STARLED.
Кто не догадался, то учесть их банальна — заменить подсветку номера.
Всё открыто, всё доступно… нужна лишь крестовая отвёртка и салфеточка, потому как грязновато будет… если не снаружи, то внутри точно.
Снимаем оргстекло, держится на усике из белого пластика (справа, если не перекручивать плафон).
Извлекаем лампочку, сравнил — коротковаты, ну да ладно… там пластинки контактные гнутся хорошо… Включаю габариты — не работает, хорошо не прикрутил на место… это не MTF и не нить накаливания =) Перекинул полярность — работает… ну и отлично, собрал в обратном порядке и прикрутил на место.
Вот так вот получилось, желтизны больше нет… Со второй стороны плафон такой же, и процедура идентичная!
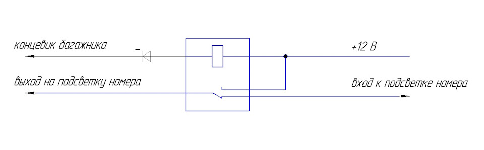
Новая функция у подсветки номера
Решил увеличить освещенность номера, стояли светодиоды, но больно узко они светили. Заказал у китайце светодиоды для подсветки, намного ярче и большая площадь освещения.
Светят зашибись и за бампером все на земле видно.
В связи с этим решил сделать так, чтобы подсветка номера загоралась и при открытии багажника.
Принцип работы: при закрытом багажники реле не активно, подсветка номера питается от габаритов, при открытии багажника включается реле и питание подсветки номера идет от постоянного плюса.
— 5-и контактное реле (любое);
— диод (любой):
— провода.
Я использовал такое, оно силовое от сигнализации, также компактное и их достаточно у меня.
— 1 и 2 контакты — катушка;
— 3 — общий контакт;
— 3 и 4 — нормально замкнутая группа;
— 3 и 5 — нормально разомкнутая группа.
Припаял провода и пошел устанавливать
Разместил и подключил реле на жгуте, идущем к крышке багажника и задней полке.
Еще когда переделывал подсветку багажника, провел постоянный плюс на подсветку.
Красным отметил серый провод, он и есть постоянный плюс, синим — оранжево-белый провод, концевик багажника.
К концевику подключился через диод, его ставить не обязательно, но решил исключить помехи на сигналку, если вдруг они откуда-то чудесным образом появятся.
А теперь подключаемся к самой подсветке номера. Вот 2 провода, идущие на подсветку.
Разрезаем желто-красный провод и подключаемся по схеме.
Лада Гранта 2014, двигатель бензиновый 1.6 л., 82 л. с., передний привод, механическая коробка передач — тюнинг
Машины в продаже
Лада Гранта, 2021
Лада Гранта, 2021
Лада Гранта, 2021
Лада Гранта, 2021
Комментарии 15
Без «доработки» такие лампы долго не протянут (как и практически любые из Китая — работают на пределе)
Хорошо, подумаю над этим, спасибо)
ссылка на диоды есть? катаюсь уже пол года без подсветки гос.номера
С радостью бы поделился, но вчера когда писал, страничка на али уже не доступна, может товар закончился или еще что.
ссылка на диоды есть? катаюсь уже пол года без подсветки гос.номера
Тюнинг подсветки заднего номера на Лада Гранта Лифтбек. Процесс замены лампочки
Всем привет. Где то около полугода назад перестала работать подсветка номера. Я подумал — ну лампочки сгорели. Только недавно появилось желание эти лампочки поменять, ставлю новые — не горят! Начал смотреть все предохранители — все целые! Сразу полез на Драйв в поисках истины. Нашел, почему еще может не гореть подсветка.
Интересно? Тогда смотрите!
Вчера вечером решили с SancheZzz93 снять задний бампер и взглянуть на проводку. Сказано — сделано! Снимаем бампер.
Сняли, начинаем просматривать проводку. Погодите, что это?
Инженеры АвтоВАЗ просто гении! На скрутках делать заводскую проводку — вот это профессионализм!
Ну а что, надо устранять. Запаяли, посадили в термоусадку.
Теперь подсветка работает! Ну а дальше… Я так подумал… Всё равно, раз уж бампер снят, отмою-ка я всё под ним.
У вас пропала подсветка номерного знака? Думаете предохранитель? Думаете лампочка сгорела? Неа) Все куда круче))) Как говорится без комментариев, смотрите фото куда собака зарыта…




Для замены ламп в освещении номерного знака вам потребуется: крестовая отвертка, лампы.
1. Первым делом нам потребуется открутить по два винта крепления у каждого из плафонов освещения номера крестовой отверткой.
2. Далее плавно покачивая выводим из своего посадочного места плафон освещения, попутно снимая с него резиновый защитный чехол и отключая разъемы проводки питания.
3. Для смены лампы снимаем пластиковый отражатель, отщелкивая на одной из сторон пластиковый фиксатор.
4. Меняем лампу на новую исправную. Иногда, при недостаточно полном прилегании резинного уплотнителя к корпусу плафона, в него попадает влага, что приводит к коррозии металлической планки-отражателя. В этом случае мелкой шкуркой очищаем окислы до восстановления заводского блеска отражающей пластины. В том случае, если восстановить прежнее состояние не предоставляется возможным допускается убрать ее из корпуса, это практически не повлияет на качество освещения номерного знака в ночное время суток.
Спасибо за подписку!
5. Перед проведением сборки обязательно проверьте работоспособность новой лампы.
Какой штраф, если не горит подсветка номера
Часто распространенная неисправность приборов внешнего освещения автомобиля – это отказ подсветки заднего номерного знака. Причин тому достаточно много:
Тюнинг подсветки заднего номера на Лада Гранта Лифтбек. Процесс замены лампочки
По умолчанию на автомобиле семейства Лада Гранта Лифтбек номерной знак освещается двумя лампами накаливания С5W, с межконтактным расстоянием в 39 мм.
Несмотря на удвоенное количество ламп, штатного освещения не достаточно для распознавания буквенного символа бортового знака. Нередко владельцы самостоятельно устанавливают другие осветительные приборы, например, светодиоды.
Рассмотрим детально, как заменить лампы и установить внештатную подсветку номера на Гранте Лифтбек.
Идеи подсветки заднего номера на Гранте Лифтбек
Некоторые автовладельцы практикуют установку дополнительного освещения в виде светодиодного цилиндра над номером.

Такой способ неэффективный и незаконный, так как частично ограничивает видимость буквенных символов.В соответствии с действующими нормами за это предусмотрен административный штраф. LED — один из самых популярных способов улучшения освещения номерного знака на Ладе Гранте Лифтбек.
Устранение неисправности
Из выше перечисленных возможных неисправностей среднестатистический автомобилист может устранить далеко не все. Вряд ли посреди дороги можно чем-то заменить сгнивший плафон подсветки. Не каждый сможет отремонтировать поврежденный жгут электропроводки. Поэтому подобные случаи в этой статье мы рассматривать не будем.
Обнаружив неисправность подсветки, начнем со снятия плафона. Крепится он либо саморезами, либо пластиковыми защелками, либо сочетанием «саморез+защелка». У всех этих способов есть и плюсы, и недостатки – пластиковые защелки легко сломать, но и закисший саморез с закатанными шлицами отнюдь не подарок.
Важно! Не прилагайте больших усилий к пластиковому плафону на морозе, иначе он неизбежно треснет.
После снятия плафона или извлечения патрона лампы подсветки сначала осмотрите ее. Темная колба или видимое повреждение нити лампы – однозначное показание к замене. Как правило, для подсветки номерного знака используются лампы W5W (на фото ниже) или C5W. Они не занимают много места в автомобиле, и их желательно иметь с собой на всякий случай.
Часто можно наблюдать такую ситуацию: в плафоне подсветки установлена лампа типа C5W (цилиндрическая с торцевыми контактами). Она может быть абсолютно исправна, а окислены сами контакты. В этом случае достаточно зачистить контакты и слегка их подогнуть для более надежной фиксации лампочки – иногда освещение номерного знака не горит всего лишь из-за выскочившей из пружинных контактов лампы.
Выбор и покупка номера ламп подсветки
| Название / артикул | Цена (Руб.) / 10 штук |
| Штатные лампы цоколь С5W | от 150 шт. |
| SZJOINцоколь39mm 25435VB | от 140 |
| Фестон (12В) 8459986M | —/— |
| Polar Р45389/20 | —/— |
| (8) SMD 5050 | —/— |
| (4) SMD 5050 | —/— |
*цены актуальны состоянием на 09.10.18 года.
Технические характеристики LED:
Подготовительный этап
Необходимые инструменты, материалы:
Для чего нужно менять лампу подсветки госномера
Сгоревшая или отсутствующая лампочка подсветки государственного номера не входит в перечень дефектов, запрещающих эксплуатацию транспортного средства.
Однако опытные водители никогда не выезжают в дорогу, если не работает освещение государственного номера. Владелец автомобиля со стажем знает, для чего нужна замена освещения, и как с ней справиться самостоятельно, чтобы избежать неприятностей.
Главная причина неприятных последствий – отсутствие возможности чтения номерных знаков в темное время суток сотрудниками ГИБДД и другими участниками дорожного движения. Минимальное расстояние прочтения номера составляет 20 м. В случае нарушения установленных правил, владелец автомобиля несет административную ответственность (КоАП РФ (ч. 1 ст. 12.2)). В качестве наказания за правонарушение, может быть вынесено предупреждение либо наложен штраф в размере 500 рублей.
Составление протокола и штраф за правонарушение грозит владельцам не подсвеченных задних государственных номеров автомобиля. Для усердных водителей, установивших освещение переднего номера, предусмотрено наказание в виде лишения прав сроком на 6–12 месяцев.
Однако не стоит воспринимать исправную подсветку номера как средство, позволяющее избежать неправомерных штрафных санкций. Освещенный номерной знак не прихоть сотрудников ГИБДД, а возможность задержать и наказать нарушителя, скрывшегося, например, с места ДТП.
Посмотреть эту публикацию в Instagram
Публикация от Promotor Light Devices (@promotorlightdevices) 11 Фев 2021 в 11:35 PST
Последовательность действий при самостоятельной замене подсветки номера Гранта Лифтбек
Замена лампочки подсветки номера Гранта Лифтбек завершена.
Водителю на заметку. Перед установкой LED ламп протрите поверхность цоколя ветошью. Потожировое выделение от пальцев рук способствует повышению рабочей температуры, перегреву, преждевременному износу.
Нормативно-правовые аспекты
Регламент Правил Дорожного Движения гласит, что каждый автомобиль должен быть оснащен специальным осветительным оборудованием для задней части автомобиля, способным включаться во время работы габаритных фонарей. Приводить в действие его, соответственно, необходимо в тёмное время суток, чтобы инспектор ГИБДД без усилий мог различить символы «мини-паспорта» транспортного средства с расстояния не менее 20 метров.
Штраф за отсутствие подсветки заднего номера и, соответственно, его нечитабельность составляет 500 рублей.
Возможность лишиться водительских прав на срок 6-12 месяцев с конфискацией осветительного прибора так же присутствует. Такому наказанию может подвергнуться владелец транспортного средства за освещение переднего регистрационного номерного знака, так как по нормативным документам она должна отсутствовать.

Замена лампы освещения номера
Суть нарушения
В случае, если зафиксированное нарушение автомобилиста связано исключительно с отсутствием подсветки как таковой, размер штрафа будет наиболее значительным, поскольку в этой ситуации налицо факт сознательного нарушения действующих правил дорожного движения.
Причем такое нарушение может быть расценено как намеренное препятствие выполнению служебных обязанностей сотрудниками правоохранительных органов.
В случае отсутствия ламп штраф, вменяемый водителю, будет составлять 500 рублей.
В той ситуации, когда отсутствие подсветки связано с поломкой осветительного устройства, подобный момент также расценивается как нарушение. Это связано с тем, что водитель несет обязательство перед началом движения за рулем транспортного средства проверить его исправность и устранить имеющиеся неполадки.
Иногда нарушение, при котором неисправна только одна лампа из двух освещающих государственный номерной знак, а света второй достаточно, привлечение к ответственности можно оспорить.
Это интересно: Причины неисправностей и самостоятельный ремонт уровня датчика топлива
Это связано с тем, что фактически начисление штрафа согласно действующих правил ДД не связано именно с поломкой подсветки. Такая мера наказания начисляется за нарушение нормы – номерной знак транспортного средства должен быть расположен таким образом и оснащен такими дополнительными средствами, которые позволяют идентифицировать его с расстояния в 20 метров. В определенных ситуациях такой показатель можно оспорить с обеих сторон – как автоинспектором, так и водителем, но, как показывает практика, отсутствие подсветки редко становится причиной конфликта – легче согласиться с неисправностью и получить предупреждение, чем оспаривать составление протокола и получить штраф.
Основания для наказания
Под читаемостью регистрационного номера подразумевают способность сотрудника ГИБДД увидеть и без затруднений понять, что на них указано с дистанции в 20 метров. Отсутствие подсветки, неправильное освещение, лампочка, которая не работает или перегорела, такой возможности не предоставляют.
Если не работает задняя подсветка номера, нужно обнаружить причину поломки, после чего проводится замена лампочки подсветки номера.
Факторы, которые могут послужить причиной штрафа:
Причиной штрафа может послужить подсветка, цвет которой не подходит под требования ПДД
Когда факт нарушения выявлен инспектором ГИБДД, в такой ситуации, даже если хозяин авто устранит неполадки, он должен будет заплатить штраф, который указан в Кодексе об административных нарушениях.
Если вас остановили на основании несоблюдения вышеперечисленных правил впервые, можете воспользоваться одним “спасательным” нюансом – сказать, что перед отъездом все работало исправно, и о проблеме вам сообщил сам инспектор. Вам выкажут устное предупреждение и дадут сутки на замену неисправных светодиодов.
Отзывы
| № | Положительные |
| 1. | Виктор: LED диодами доволен, качество освещения номерного знака отличное, видно издалека. Мои рекомендации автомобилистам. |
| 2. | Вячеслав: по совету товарищей купил светодиоды, так как единожды схлопотал штраф за недостаточное освещение номера, грязную поверхность. Установил самостоятельно, ничего сложно нет. Для уверенности дважды прочел инструкцию. |
| 3. | Кирилл: в этот раз решил тюнинговать освещение номера Лада Гранта Лифтбек. Вместо штатных ламп вмонтировал светодиоды LED. С товарищем подключили в течение десяти минут, работает исправно. Использую LED подсветку в качестве дополнительного освещения при сдаче задом. |
| 4. | Василий: жаль, что в базовых комплектациях Гранта не оснащена LED диодами. На сегодня это не роскошь, а необходимость. |
| 5. | Сергей: неделю назад подключил светодиоды на освещение заднего номерного знака. Пользуюсь часто, освещение хорошее, проблем нет. Мои рекомендации. |
| 6. | Давид: покупал машину с рук, второй владелец. От предыдущего досталась в хорошем состоянии, тюнингованная, сзади установлены LED диоды. |
| 7. | Владлен: после покупки машины в салоне сразу заказал замену штатных ламп, установил светодиоды. |
| Отрицательные | |
| 1. | Геннадий: не могу дать положительную оценку светодоиодам, так как после двух месяцев использования перегорели два фонаря. Установил назад штатное освещение. |
| 2. | Игнат: не советую покупать дешевые светодиоды, в том числе с Китая. Срок их эксплуатации не более полугода, после чего перегорают. Уж лучше пользоваться штатными лампами. |
| 3. | Георгий: три месяца радовался яркому освещению номерного знака, после чего перегорели LED диоды. Установил назад родное освещение. |
Вывод
LED освещение номерного знака однозначно необходимо, как с точки зрения безопасности, так и в целях дополнительного источника света при сдаче автомобилем задним ходом. Не все владельцы могут позволить себе купить парктроник.
Негативные отзывы в большей степени беспочвенны. Причина преждевременного износа в некачественных расходных материалах, покупке дешевых подделок. Делайте выводы самостоятельно.
Замена лампочек подсветки номера гранта
По умолчанию на автомобиле семейства Лада Гранта Лифтбек номерной знак освещается двумя лампами накаливания С5W, с межконтактным расстоянием в 39 мм.
Несмотря на удвоенное количество ламп, штатного освещения не достаточно для распознавания буквенного символа бортового знака. Нередко владельцы самостоятельно устанавливают другие осветительные приборы, например, светодиоды.
Рассмотрим детально, как заменить лампы и установить внештатную подсветку номера на Гранте Лифтбек.
Какие лампы обычно устанавливают
Лампа накаливания, размещенная в плафоне – решение подсветки номера. Чаще используются лампочки W5W, либо лампы C5W, которые отличаются от W5W типом цоколя. Поэтому, перед заменой лампы подсветки вашего номерного знака, нужно выяснить, какой тип осветительного прибора был выбран производителем.
Модернизированный вариант подсветки – новые светодиодные лампы и ленты. Стандартное применение ламп накаливания отличается от подсветки светодиодами:
Однако при выборе светодиодов, стоит учитывать не только требования к цвету, но и к интенсивности освещения.
Заменить стандартную лампу накаливания светодиодами закон не запрещает. Разрешено использование приборов, дающих свечение белого цвета. Освещают такие приборы только номерной знак самого автомобиля. Иначе предусмотрено начисление штрафа в размере 3000 рублей.
Выбор и покупка номера ламп подсветки
| Название / артикул | Цена (Руб.) / 10 штук |
| Штатные лампы цоколь С5W | от 150 шт. |
| SZJOINцоколь39mm 25435VB | от 140 |
| Фестон (12В) 8459986M | —/— |
| Polar Р45389/20 | —/— |
| (8) SMD 5050 | —/— |
| (4) SMD 5050 | —/— |
*цены актуальны состоянием на 09.10.18 года.
Технические характеристики LED:
Подготовительный этап
Необходимые инструменты, материалы:
Итоги
Вы узнали, как поменять лампочку подсветки номера на популярных автомобилях. Будьте уверены, что на других моделях авто ничего трудного нет и всё делается по образу и подобию наших примеров. Между прочим, устраняя такие мелкие неисправности своими руками, вы экономите деньги, ведь в автомастерских за подобные процедуры берут весьма немалые деньги, по несколько сотен рублей, в зависимости от региона. Так зачем же тратить деньги на такие пустяки, если это совершенно не составит труда даже самому неопытному водителю?
Можно ли обжаловать штраф за подсветку
Штраф за подсветку можно обжаловать в административном суде первой инстанции, как и любое другое неправомерное действие, совершённое лицами, наделёнными государством властью.
Такого рода слушания занимают от двух недель до двух месяцев, в зависимости от загруженности судьи, к которому попадёт данное дело.
Нельзя обжаловать штраф, который был выписан правомерно, либо неправомерность которого водитель не может доказать.
На стороне инспектора ГИБДД будет протокол – юридический документ, поэтому в противовес ему одних слов водителя и его пассажиров будет недостаточно.
Если вас остановил инспектор ГИБДД, который решил выписать вам неправомерный протокол, необходимо обязательно записать беседу с ним на диктофон. Проговорите громко и вслух, что с подсветкой всё в порядке, и постарайтесь получить от него подтверждение этого.
Также можно снять происходящее и на видеокамеру. Не лишней станет запись видеорегистратора. Такого рода данных будет достаточно для того, чтобы защитить в суде своё право и не оплачивать штраф, либо вернуть свои деньги назад.
Последовательность действий при самостоятельной замене подсветки номера Гранта Лифтбек
Замена лампочки подсветки номера Гранта Лифтбек завершена.
Водителю на заметку. Перед установкой LED ламп протрите поверхность цоколя ветошью. Потожировое выделение от пальцев рук способствует повышению рабочей температуры, перегреву, преждевременному износу.
Замена блок-фары
Отключаем минусовую клемму аккумулятора. Снимаем передний бампер (статья – Как снять бампера автомобиля Лада Гранта)
Головкой на 8 откручиваем винт переднего крепления блок-фары
Головкой на 8 откручиваем винт нижнего крепления блок фары
Откручиваем винт верхнего крепления блок-фары.
Выводим блок-фару вперед по ходу автомобиля.
Нажимаем на фиксатор рабочего цилиндра корректора фар и повернув цилиндр против часовой стрелки до упора вынимаем рабочий цилиндр корректора фар из корпуса блок-фары
Отсоединяем колодку проводов от лампы головного света, вынимаем патроны с лампами указателя поворота и дневного ходового огня.
Снимаем блок-фару. Устанавливаем блок-фару в обратной последовательности.
Отзывы
| № | Положительные |
| 1. | Виктор: LED диодами доволен, качество освещения номерного знака отличное, видно издалека. Мои рекомендации автомобилистам. |
| 2. | Вячеслав: по совету товарищей купил светодиоды, так как единожды схлопотал штраф за недостаточное освещение номера, грязную поверхность. Установил самостоятельно, ничего сложно нет. Для уверенности дважды прочел инструкцию. |
| 3. | Кирилл: в этот раз решил тюнинговать освещение номера Лада Гранта Лифтбек. Вместо штатных ламп вмонтировал светодиоды LED. С товарищем подключили в течение десяти минут, работает исправно. Использую LED подсветку в качестве дополнительного освещения при сдаче задом. |
| 4. | Василий: жаль, что в базовых комплектациях Гранта не оснащена LED диодами. На сегодня это не роскошь, а необходимость. |
| 5. | Сергей: неделю назад подключил светодиоды на освещение заднего номерного знака. Пользуюсь часто, освещение хорошее, проблем нет. Мои рекомендации. |
| 6. | Давид: покупал машину с рук, второй владелец. От предыдущего досталась в хорошем состоянии, тюнингованная, сзади установлены LED диоды. |
| 7. | Владлен: после покупки машины в салоне сразу заказал замену штатных ламп, установил светодиоды. |
| Отрицательные | |
| 1. | Геннадий: не могу дать положительную оценку светодоиодам, так как после двух месяцев использования перегорели два фонаря. Установил назад штатное освещение. |
| 2. | Игнат: не советую покупать дешевые светодиоды, в том числе с Китая. Срок их эксплуатации не более полугода, после чего перегорают. Уж лучше пользоваться штатными лампами. |
| 3. | Георгий: три месяца радовался яркому освещению номерного знака, после чего перегорели LED диоды. Установил назад родное освещение. |
Вывод
LED освещение номерного знака однозначно необходимо, как с точки зрения безопасности, так и в целях дополнительного источника света при сдаче автомобилем задним ходом. Не все владельцы могут позволить себе купить парктроник.
Негативные отзывы в большей степени беспочвенны. Причина преждевременного износа в некачественных расходных материалах, покупке дешевых подделок. Делайте выводы самостоятельно.
Доброго времени суток всем гостям и подписчикам!
Ещё в начале БЖ моей машины, были следующие темы по замене лампочек (кому интересно — можете ознакомится): — ДХО и головного света — в поворотниках передних фар — в салоне
Ну была ещё установка ПТФ, свет в багажнике диодной лентой, также с заменой лампочки на аналогичную салонной.
Сегодня же, данной учести дождались габариты/стоп сигналы! По прежнему не меняю традицию, использую линзованные диоды фирмы MTF P21/5W.
P.S. По деньгам напоминаю — MTF довольно дорогие, по 500 рублей штучка в зависимости от типа ламп.
P.P.S. Ночные фото! В принципе сам свет понятно что чуть более красный, потому как лампы с нитью накаливания прозрачные и цвет им придаётся корпусом фонаря… По стопарям фокусировка на фото отвратительная получилась… Но MTF совсем чуть-чуть ярче.
Для замены ламп в освещении номерного знака вам потребуется: крестовая отвертка, лампы.
1. Первым делом нам потребуется открутить по два винта крепления у каждого из плафонов освещения номера крестовой отверткой.
2. Далее плавно покачивая выводим из своего посадочного места плафон освещения, попутно снимая с него резиновый защитный чехол и отключая разъемы проводки питания.
3. Для смены лампы снимаем пластиковый отражатель, отщелкивая на одной из сторон пластиковый фиксатор.
4. Меняем лампу на новую исправную. Иногда, при недостаточно полном прилегании резинного уплотнителя к корпусу плафона, в него попадает влага, что приводит к коррозии металлической планки-отражателя. В этом случае мелкой шкуркой очищаем окислы до восстановления заводского блеска отражающей пластины. В том случае, если восстановить прежнее состояние не предоставляется возможным допускается убрать ее из корпуса, это практически не повлияет на качество освещения номерного знака в ночное время суток.
Требования к подсветке номера авто
По требованиям ПДД, в автомобиле в темное время суток должна быть предусмотрена лампа подсветки номера задних номерных знаков. Передние номера подсвечивать необязательно. Для освещения подходит только белый или желтый свет, синяя подсветка номера запрещается.
Свечение ламп подсветки заднего номера должно быть в меру ярким. Все лампы должны работать исправно и гореть постоянно в ночное время суток, так как, если подсветка номера не работает, хотя бы одна лампа перегорела, и часть государственного номера не видна – это грубое нарушение пдд, которое может послужить основанием для наложения на владельца машины штрафных санкций.
В меру ярким должно быть свечение ламп подсветки заднего номера
Если устройство автомобиля не предрасположено к установке освещения – это может помочь избежать наказания, данный факт предписанный в технической документации.
Передние номера вашего средства передвижения нельзя снабжать лампами подсветки номера красного цвета, а также другой световой аппаратурой, цвет которой не совпадает с требованиями правил дорожного движения.
Что необходимо для самостоятельного ремонта
Для замены лампы на прикуривателе модели Калина потребуется подходящий инструмент. По ходу ремонта будут необходимы:
Для восстановления работы прикуривателя или лампы, в зависимости от неисправности, могут пригодиться:
Ниже представлена таблица, дающая информацию о характерных неисправностях прикуривателя, возможном способе их устранения.
| Вариант поломки | Ремонт |
| Неисправные контактные места прикуривателя | Поправить металлические фиксаторы при помощи плоской отвертки. |
| Появление пятен ржавчины или окислов | Затереть места со ржавчиной надфилем или наждачной бумагой до металлической основы. |
| Неисправный защитный элемент | Поменять предохранитель прикуривателя в монтажном блоке с маркировкой F6 с номиналом 20 Ампер. |
| Обрыв кабелей | Проверить целостность кабелей при помощи тестера, припаять или заменить оборванные шнуры. |
| Перегорание нихромовой нити внутри прибора | Замена прикуривателя новым. |
| Вышедшая из строя лампа | Установка новой лампы. |
FakeHeader
Comments 16
По поводу слишком большой яркости диодов (в фонари): убирается излишняя яркость путем добавления резистора на нужное количество Ом. В ДХО у самого стоят диоды, смотрятся красиво. ДХО осветительной как таковой функции не несет, просто обозначение ТС или габаритов ТС. В ближний ставить диоды не вариант, т.к. сама фара под них не рассчитана, все переотражение световых лучей идет от нити накала. Проще купить новую оптику, заточенную под диоды, но она не стоит такого вложения денег для наших машин. Минус диодов — освещение в плохую погоду.
Сообщений 10
1 Тема от drummer04 2015-09-12 14:17:30
Тема: Решено: Не горят лампы подсветки номера, предохранитель цел
Не горят лампы подсветки номера, лампочки старые достал, они были черные, заменил на новые, все равно не горят, проверил предохранитель, рабочий. Я так пологаю нет массы? Где ее искать?
2 Ответ от drummer04 2015-09-12 15:03:06
Re: Решено: Не горят лампы подсветки номера, предохранитель цел
а предохранители f1 и f10 смотрел
3 Ответ от Anton 2015-09-12 15:24:07
Блок предохранителей
Блок предохранителей в Гранте находится слева от рулевой колонки, около ручек включения света. Чтобы снять крышку и добраться до предохранителей и реле, потяните верхнюю левую часть крышки на себя. Сделано удобно, всё находится под рукой и не надо никуда лезть, вставая с водительского сиденья. Может быть это намёк на то, что их часто придётся менять, а может просто удобство — разработчикам виднее.
F1 (15 А) — блок управления двигателем, форсунки, катушка зажигания, реле вентилятора охлаждения, КЗ 2х2.
Если у вас проблемы с электроникой, и замена этого предохранителя не помогает, в худшем случае придётся перепрошивать ЭБУ или менять его. Также при перегорании этого предохранителя перестают работать форсунки и катушка зажигания, что делает работу двигателя невозможной. Поэтому если Гранта не заводится, проверьте первым делом данный предохранитель.
F2 (30 А) — электростеклоподъемники.
Если не работают и замена предохранителя не помогает, попробуйте выдернуть его совсем или снять клемму с аккумулятора на пару минут, затем подключите снова. Таким способом должны сброситься все временные ошибки и если дело в них, стеклоподъёмники снова заработают.
F3 (15 А) — аварийная сигнализация. Если не работает, проверьте этот предохранитель, а также кнопку включения «аварийки», её контакты и работоспособность ламп.
F4 (20 А) — стеклоочиститель, подушка безопасности. Если на приборной панели загорелась контрольная лампа отсутствия подушки безопасности, проверьте этот предохранитель. Дело может быть либо в нём, либо в электронном блоке, либо в самих подушках.
Если не работает стеклоочиститель и данный предохранитель целый, проверьте также реле K6, ручку включения, надёжность подключения к ней разъёмов, а также сам электропривод стеклоочистителя.
F5 (7,5 А) — клемма 15 замка зажигания. Если проблемы с включением зажигания, проверьте этот предохранитель, а также надёжность соединений проводов к клеммам замка.
F6 (7,5 А) — лампа заднего хода. Если она не работает, но этот предохранитель целый, проверьте саму лампу, а также контакты подключения разъёмов к блок-фаре.
F7 (7,5 А) — ДМРВ, клапан адсорбера, датчик кислорода, датчик скорости. Если двигатель работает неустойчиво, не держит холостые обороты или самопроизвольно глохнет, дело может быть в этом предохранителе либо соответствующем датчике. О том, как проверить ДМРВ у нас уже была статья.
F8 (30 А) — обогрев заднего стекла. Если он не работает, проверьте этот предохранитель, клеммы подключения проводов к обогревателю, а также целлостность его элементов.
F9 (5 А) — правые габаритные лампы
F10 (5 А) — левые габаритные лампы. Если не горят габариты, дело может быть в этих предохранителях или в самих лампах, а также их разъёмах. Не помешает проверить переключатель габаритов на приборной панели.












































